FM-753 A4 M16x175 - Réf. 7532001617500
- Referenz7532001617500
- HerstellungFranzösisch
- MaterialNichtrostender Stahl A4 gemäß NF EN 10088
- MarkeSIMPSON Strong-Tie
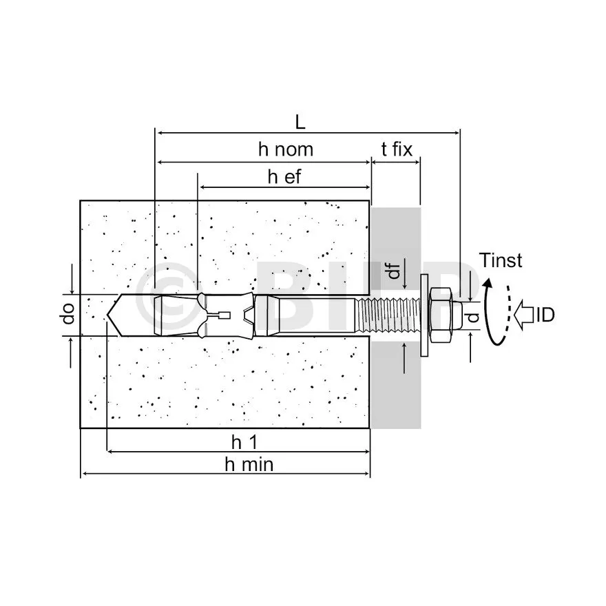
- Maximale Dicke der zu befestigenden Teile (tfix)10mm
- Länge des Gewindes (F)47mm
- Maximaler Durchmesser der zu befestigenden Teile (df)12mm
- Verankerungstiefe (hef)60mm
- Lochdurchmesser x minimale Lochtiefe (d0 x h1)10x75mm
- Epaisseur minimale du support [mm]170mm
- Bohrdurchmesser [mm]16mm
- Minimale Bohrtiefe [h1]115mm
- Flach Schlüsselweite (SW)24mm
- Couple de serrage [Tinst] [Nm]100Nm
- Distance entraxes minimale [mm]130mm
- Distance au bord minimale [mm]130mm
Ankerdübel Edelstahl A4 (FM-753 A4)
Der Ankerbolzen FM-753 A4 mit den Durchmessern M8 bis M16 ist eine effektive Lösung für die Befestigung von Elementen an ungerissenem Beton oder Steinstützen im Außenbereich.
Merkmale
Gegenstand
- Edelstahl A4.
Vorteile
Zeitersparnis:
- Sofortige Erweiterung,
- Montage durch das zu befestigende Element, Bohr-Ø = Dübel-Ø,
- Vormontierte Mutter und Unterlegscheibe,
- Große Auswahl.
Leistung:
- Sechs Zähne und rutschfeste Kanten für bessere Haftung an den Lochwänden,
- Große Dicke der drei erweiterbaren Segmente.
Anwendung
Einsatzbereiche
- Strukturelle Befestigungen,
- Fassaden,
- Leitplanke,
- Rahmenschuhe.
Unterstützt
- Ungerissener Beton,
- Naturstein.
Technische Daten
Abmessungen
| Referenzen | Produktreferenz | Abmessungen [ØxL] [mm] | Dicke. max [tfix,max] PCE zum Fixieren mit Prof. Standardanker [hef,STD] [mm] | Ep. max [tfix,max] PCE zum Fixieren mit Prof. reduzierte Verankerung [hef,RED] [mm] | maximaler Bohr-Ø Stück zur Befestigung [df] [mm] | Bohr-Ø [do] x Tiefe [h1] im Träger [mm] | Mindestankertiefe [hef] [mm] |
|---|---|---|---|---|---|---|---|
| 7532000806500 | FM-753 A4 | M8x65 | 7 | 15 | 9 | 8x60 | 40 |
| 7532000807500 | FM-753 A4 | M8x75 | 15 | 25 | 9 | 8x60 | 40 |
| 7532000809000 | FM-753 A4 | M8x90 | 30 | 40 | 9 | 8x60 | 40 |
| 7532001007500 | FM-753 A4 | M10x75 | 5 | 20 | 12 | 10x70 | 50 |
| 7532001009000 | FM-753 A4 | M10x90 | 20 | 35 | 12 | 10x70 | 50 |
| 7532001012000 | FM-753 A4 | M10x120 | 50 | 65 | 12 | 10x70 | 50 |
| 7532001210000 | FM-753 A4 | M12x100 | 10 | 25 | 14 | 12x85 | 60 |
| 7532001211000 | FM-753 A4 | M12x110 | 20 | 35 | 14 | 12x85 | 60 |
| 7532001213500 | FM-753 A4 | M12x135 | 45 | 60 | 14 | 12x85 | 60 |
| 7532001617500 | FM-753 A4 | M16x175 | 60 | 80 | 18 | 16x115 | 85 |
Berechnungswerte
| Referenzen | Produktreferenz | Abmessungen [ØxL] [mm] | Berechnungswerte - nur Verankerung - ohne Randabstände | ||||||||
| Berechnungswerte - Ungerissener Beton (3) | |||||||||||
| Spannung - NRd (1) | Scherkraft - VRd (1-2) | Biegemoment MRd [ Nm] | |||||||||
| C20/25 [kN] | C30/37 [kN] | C40/50 [kN] | C50/60 [kN] | C20/25 [kN] | C30/37 [kN] | C40/50 [kN] | C50/60 [kN] | ||||
| 7532000806500 | FM-753 A4 | M8x65 | 5 | 5.85 | 6.6 | 7.1 | 8.3 | - | - | - | 18.04 |
| 7532000807500 | FM-753 A4 | M8x75 | 5 | 5.85 | 6.6 | 7.1 | 8.3 | - | - | - | 18.04 |
| 7532000809000 | FM-753 A4 | M8x90 | 5 | 5.85 | 6.6 | 7.1 | 8.3 | - | - | - | 18.04 |
| 7532001007500 | FM-753 A4 | M10x75 | 8 | 9.76 | 11.28 | 12.4 | 11.6 | - | - | - | 36.84 |
| 7532001009000 | FM-753 A4 | M10x90 | 8 | 9.76 | 11.28 | 12.4 | 11.6 | - | - | - | 36.84 |
| 7532001012000 | FM-753 A4 | M10x120 | 8 | 9.76 | 11.28 | 12.4 | 11.6 | - | - | - | 36.84 |
| 7532001210000 | FM-753 A4 | M12x100 | 15.2 | 18.544 | 21.432 | 23.56 | 20.6 | 20.6 | 20.6 | 20.6 | 63.9 |
| 7532001211000 | FM-753 A4 | M12x110 | 15.2 | 18.544 | 21.432 | 23.56 | 20.6 | 20.6 | 20.6 | 20.6 | 63.9 |
| 7532001213500 | FM-753 A4 | M12x135 | 15.2 | 18.544 | 21.432 | 23.56 | 20.6 | 20.6 | 20.6 | 20.6 | 63.9 |
| 7532001617500 | FM-753 A4 | M16x175 | 23.3 | 28.426 | 32.853 | 36.115 | 38.4 | 38.4 | 38.4 | 20.6 | 162.4 |
1. Die veröffentlichten Lasten werden aus den Teilsicherheitsbeiwerten der ETAs berechnet. Diese Lasten werden für unbewehrten Beton und normalen Stahlbeton berechnet, deren Stababstände s ≥ 15 cm (alle Durchmesser) bzw. s ≥ 10 cm haben, wenn ihr Durchmesser kleiner oder gleich 10 mm ist.
2. Querlasten werden für die alleinige Verankerung ohne Berücksichtigung des Abstands vom Plattenrand angegeben. Bei randnahen Ankern (c ≤ max [10 hef; 60d]) muss der Bruch am Plattenrand gemäß ETAG001, Anhang C, Methode A überprüft werden.
3. Der Beton gilt als nicht gerissen, wenn die Spannung im Betoninneren gleich σL + σR ≤ 0 ist. In Ermangelung einer detaillierten Überprüfung gehen wir von σR = 3N/mm2 aus (σL entspricht der Spannung im Inneren des Betons). die aus äußeren Lasten, einschließlich Ankerlasten, resultiert).
Durchführung
Montagedaten
| Referenzen | Produktreferenz | Abmessungen [ØxL] [mm] | Bohr-Ø [d0] [mm] | Prof. min. Bohrtiefe [h1] [mm] | Ø Bohrung im zu befestigenden Teil (durchgehend) [df] [mm] | Schlüsselweite an der Fläche [SW] [mm] | Anziehen Drehmoment [Tinst] [Nm] | Prof. Verankerung [hef] [mm | Ep. Mindestauflage [hmin] [mm] |
|---|---|---|---|---|---|---|---|---|---|
| 7532000806500 | FM-753 A4 | M8x65 | 8 | 60 | 9 | 13 | 15 | 40 | 100 |
| 7532000807500 | FM-753 A4 | M8x75 | 8 | 60 | 9 | 13 | 15 | 40 | 100 |
| 7532000809000 | FM-753 A4 | M8x90 | 8 | 60 | 9 | 13 | 15 | 40 | 100 |
| 7532001007500 | FM-753 A4 | M10x75 | 10 | 70 | 12 | 17 | 25 | 50 | 100 |
| 7532001009000 | FM-753 A4 | M10x90 | 10 | 70 | 12 | 17 | 25 | 50 | 100 |
| 7532001012000 | FM-753 A4 | M10x120 | 10 | 70 | 12 | 17 | 25 | 50 | 100 |
| 7532001210000 | FM-753 A4 | M12x100 | 12 | 85 | 14 | 19 | 50 | 60 | 120 |
| 7532001211000 | FM-753 A4 | M12x110 | 12 | 85 | 14 | 19 | 50 | 60 | 120 |
| 7532001213500 | FM-753 A4 | M12x135 | 12 | 85 | 14 | 19 | 50 | 60 | 120 |
| 7532001617500 | FM-753 A4 | M16x175 | 16 | 115 | 18 | 24 | 100 | 85 | 170 |
Mittel- und Randabstände
| Referenzen | Produktreferenz | Abmessungen [ØxL] [mm] | Mindestrandabstand [cmin] [mm] | Dist. minimale Achsabstände [smin] [mm] | Abstand zur charakteristischen Kante [ccr,N] [mm | Charakteristischer Abstand zwischen den Mittelpunkten [scr,N] [mm] |
|---|---|---|---|---|---|---|
| 7532000806500 | FM-753 A4 | M8x65 | 60 | 60 | 60 | 120 |
| 7532000807500 | FM-753 A4 | M8x75 | 60 | 60 | 60 | 120 |
| 7532000809000 | FM-753 A4 | M8x90 | 60 | 60 | 60 | 120 |
| 7532001007500 | FM-753 A4 | M10x75 | 75 | 75 | 75 | 150 |
| 7532001009000 | FM-753 A4 | M10x90 | 75 | 75 | 75 | 150 |
| 7532001012000 | FM-753 A4 | M10x120 | 75 | 75 | 75 | 150 |
| 7532001210000 | FM-753 A4 | M12x100 | 90 | 90 | 90 | 180 |
| 7532001211000 | FM-753 A4 | M12x110 | 90 | 90 | 90 | 180 |
| 7532001213500 | FM-753 A4 | M12x135 | 90 | 90 | 90 | 180 |
| 7532001617500 | FM-753 A4 | M16x175 | 130 | 130 | 130 | 260 |
SIMPSON Strong-Tie
Beispiellose Zuverlässigkeit und Service
Seit seiner Gründung in Europa im Jahr 1994 hat sich Simpson Strong-Tie dank seines anerkannten Know-hows und seiner geprüften Produktqualität zu einem zuverlässigen Wert im Bereich der Verbindungstechnik entwickelt. Dank jahrelanger Erfahrung sind Sicherheit, Zuverlässigkeit und die Einhaltung von Vorschriften eine ständige Verpflichtung.














